Over Temperature Protection(80)

Thermal-Link (ATCO) - Alloy Type(39)
Thermal-Link (ATCO) - Alloy Type is defined as a non-resettable protective device functioning one time only that uses low melting point fusible alloy as temperature sensing material. Normally, fusible alloy is jointed to the two lead wires, Under abnormal conditions, when the temp. reaches to the fusing temp. of ATCO, the fusible alloy melts and quickly retracts to the two lead wire ends with the aid of the flux resin and disconnects the circuit completely. ATCO is mainly consist of fusible alloy, flux resin, case, sealant and lead wires. ATCO products are widely used in electrical equipment. SETsafe | SETfuse Thermal-Link (ATCO)-Alloy Type is divided into axial and radial types; Rated Functioning Temp. : ( 76 ~ 230 ) ̊C; Rated Current: ( 1 ~ 200 ) A; Rated voltage: (250~800) VAC; safety certification includes UL, cUL, TUV, PSE, VDE, KC, CCC, and RoHS and REACH compliant.

Direct Current Thermal-Link (DC-ATCO) - Alloy Type(38)
The Direct Current Thermal-Link Alloy Type (DC-ATCO) is a thermal-link that utilizes low melting point alloys, known as the thermal element, which fuse when heated to a specific fusing temperature. This allows for controlled circuit disconnection. The DC-ATCO is composed of various components, including electrode leads, a case, the low melting point alloys (thermal element), flux resin, a fuse, filler material, and sealant. The DC-ATCO is widely employed for over-temperature protection in electrical equipment and electric vehicles. Typically, the low melting point alloys (thermal element) are connected in series between two electrode pins. When the temperature reaches the predetermined fusing temperature of the DC-ATCO, the low melting point alloys (thermal element) melt and swiftly retract to the ends of the two pins, facilitated by the flux resin. This effectively disconnects the circuit. The SETsafe | SETfuse Direct Current Thermal-Link (Alloy Type) is available in axial and radial shapes, with a rated functioning temperature ranging from 76 °C to 230 °C. It covers a rated current range of 1 A to 200 A and a rated voltage range of 24 VDC to 850 VDC. Additionally, it holds UL, cUL, CCC, and CB approvals, and is compliant with RoHS and REACH regulations.

Thermal-Link (OTCO) - Organic Type(2)
Organic Thermal-Link (OTCO) is a non-resettable protective device, functioning one time only. It mainly consists of metal case, spring, sliding contact and thermal pellet. The organic thermal pellet responds to abnormal temp. situation and triggers the cutoff function. SETsafe | SETfuse Organic Thermal-Link (OTCO) is widely used in electrical equipment to provide over temp. protection, it has wide range of operating temp., from 72 °C to 263 °C, rated current includes: 10 A, 15 A / 16 A. With UL, cUL, VDE, CCC, KC, PSE certificates, comply with RoHS and REACH.

Thermal Turn On (TTO) - Organic Type (1)
SETsafe | SETfuse Organic Thermal Turn On (TTO) is defined as a non-resettable protective device functioning one time only. TTO is mainly consist of metal case, spring and thermal pellet. Normally, the solid thermal pellet keeps the isolated lead and disc separating. When the thermal pellet sensed abnormal heat and temp. reaches the predetermined temp., thermal pellet melts and the isolated lead and disc contact, with the assistance of spring, thereby the circuit is connected. SETsafe | SETfuse Organic Thermal Turn On (TTO) R series Rated Functioning Temp. from 73 ℃ to 217 ℃, Rated Current/ Rated Voltage: 1 A/250VAC, complies with RoHS and REACH.
Over Voltage Protection(228)

Transient Voltage Suppression (TVS Diodes)(46)
TVS Diodes are used to protect sensitive circuit from high-voltage transients.Their p-n junctions have a larger crosssectional area than those of a normal diode,allowing them to conduct large currents to ground without damage. SETsafe | SETfuse supplies TVS Diodes with peak power ratings from 200 W to 30 kW,and reverse standoff voltages from 5.0 V to 512 V.


TVS Diodes - Standard Type(34)
TVS Diodes are used to protect sensitive circuit from high-voltage transients.Their p-n junctions have a larger crosssectional area than those of a normal diode,allowing them to conduct large currents to ground without damage. SETsafe | SETfuse supplies TVS Diodes with peak power ratings from 200 W to 30 kW,and reverse standoff voltages from 5.0 V to 512 V.


TVS Diodes - Automotive Grade(12)

Thermal Protected Transient Suppression Diode (TTVS)(2)
Thermal Protected Transient Suppression Diode (TTVS)

ESD TVS Diode Arrays (ESD TVS)(42)

Thyristor Surge Suppressors (TSS)(9)

Gas Discharge Tube (GDT)(33)
Gas Discharge Tube (GDT) is a single-gap or multi-gap switching overvoltage protection device. Under normal circumstances, the GDT is in a high-impedance state; when suffer a surge, the GDT will change from a high-impedance state to a low-impedance state, and release the surge energy to the ground, reducing the residual voltage of the circuit, thereby protecting the equipment circuit or protect the human body from the hazards of transient overvoltage. GDT is formed by high-temperature sealing of metal electrodes, metallized ceramics, inert gas or other mixed gases. Gas Discharge Tube (GDT) are widely used in overvoltage protection of signals, power supplies and various ports. SETsafe | SETfuse's Gas Discharge Tube products have a voltage of 70 ~ 4500 V, a flow (@8/20 μs) 0.5 ~ 200 kA, a full range of safety certifications including: UL, cUL, TUV, and meet the RoHS, REACH requirements.


GDT - SMD Type(15)
Gas Discharge Tube (GDT) is a single-gap or multi-gap switching overvoltage protection device. Under normal circumstances, the GDT is in a high-impedance state; when suffer a surge, the GDT will change from a high-impedance state to a low-impedance state, and release the surge energy to the ground, reducing the residual voltage of the circuit, thereby protecting the equipment circuit or protect the human body from the hazards of transient overvoltage. GDT is formed by high-temperature sealing of metal electrodes, metallized ceramics, inert gas or other mixed gases. Gas Discharge Tube (GDT) are widely used in overvoltage protection of signals, power supplies and various ports. SETsafe | SETfuse's Gas Discharge Tube products have a voltage of 70 ~ 4500 V, a flow (@8/20 μs) 0.5 ~ 200 kA, a full range of safety certifications including: UL, cUL, TUV, and meet the RoHS, REACH requirements.


GDT - DIP Type(6)
Gas Discharge Tube (GDT) is a single-gap or multi-gap switching overvoltage protection device. Under normal circumstances, the GDT is in a high-impedance state; when suffer a surge, the GDT will change from a high-impedance state to a low-impedance state, and release the surge energy to the ground, reducing the residual voltage of the circuit, thereby protecting the equipment circuit or protect the human body from the hazards of transient overvoltage. GDT is formed by high-temperature sealing of metal electrodes, metallized ceramics, inert gas or other mixed gases. Gas Discharge Tube (GDT) are widely used in overvoltage protection of signals, power supplies and various ports. SETsafe | SETfuse's Gas Discharge Tube products have a voltage of 70 ~ 4500 V, a flow (@8/20 μs) 0.5 ~ 200 kA, a full range of safety certifications including: UL, cUL, TUV, and meet the RoHS, REACH requirements.


GDT - High Surge Type(12)
Gas Discharge Tube (GDT) is a single-gap or multi-gap switching overvoltage protection device. Under normal circumstances, the GDT is in a high-impedance state; when suffer a surge, the GDT will change from a high-impedance state to a low-impedance state, and release the surge energy to the ground, reducing the residual voltage of the circuit, thereby protecting the equipment circuit or protect the human body from the hazards of transient overvoltage. GDT is formed by high-temperature sealing of metal electrodes, metallized ceramics, inert gas or other mixed gases. Gas Discharge Tube (GDT) are widely used in overvoltage protection of signals, power supplies and various ports. SETsafe | SETfuse's Gas Discharge Tube products have a voltage of 70 ~ 4500 V, a flow (@8/20 μs) 0.5 ~ 200 kA, a full range of safety certifications including: UL, cUL, TUV, and meet the RoHS, REACH requirements.

Thermally Protected Gas Discharge Tube (TGDT)(1)
Thermally Protected Gas Discharge Tube (TGDT)

Metal Oxide Varistor (MOV) & MOV Disk(36)


MOV & MOV Disk - Standard Type(24)
Metal Oxide Varistor (MOV) is a nonlinear resistance component with zinc oxide (ZnO) as its main constituent. The resistance of an MOV is sensitive to changes in the applied voltage. Below the threshold voltage, the MOV exhibits high resistance, allowing only a negligibly small leakage current to flow. Once the threshold voltage is exceeded, the resistance of the MOV drops sharply, enabling the conduction of a large current. This characteristic makes the MOV suitable for detecting and suppressing surge voltage and overvoltage, thereby protecting the circuit from damage caused by excessive voltage. The Metal Oxide Varistor (MOV) finds wide application in various fields such as photovoltaics, communication, lightning protection, power supply, and power strips. It serves to suppress transient overvoltage and absorb surge energy within the circuit. SETsafe | SETfuse offers Metal Oxide Varistors (MOV) with maximum peak current ratings ranging from 0.75 kA to 70 kA, and maximum continuous voltage ratings from 14 VAC to 750 VAC. These MOVs are equipped with safety certifications such as UL, cUL, TUV, and CQC, and comply with RoHS and REACH requirements.


MOV - High Surge Type(4)
Metal Oxide Varistor (MOV) is a nonlinear resistance component with zinc oxide (ZnO) as its main constituent. The resistance of an MOV is sensitive to changes in the applied voltage. Below the threshold voltage, the MOV exhibits high resistance, allowing only a negligibly small leakage current to flow. Once the threshold voltage is exceeded, the resistance of the MOV drops sharply, enabling the conduction of a large current. This characteristic makes the MOV suitable for detecting and suppressing surge voltage and overvoltage, thereby protecting the circuit from damage caused by excessive voltage. The Metal Oxide Varistor (MOV) finds wide application in various fields such as photovoltaics, communication, lightning protection, power supply, and power strips. It serves to suppress transient overvoltage and absorb surge energy within the circuit. SETsafe | SETfuse offers Metal Oxide Varistors (MOV) with maximum peak current ratings ranging from 0.75 kA to 70 kA, and maximum continuous voltage ratings from 14 VAC to 750 VAC. These MOVs are equipped with safety certifications such as UL, cUL, TUV, and CQC, and comply with RoHS and REACH requirements. Compared with standard type varistor, the highsurge impact varistor uses materials withextra high performance, having impulse capacity about 30% higher than normal varistorof the same size. Besides, the varistor has good long-term stability, and can be used in higher surge requirement or miniaturization designmen.


MOV Disk - Lightning Protection Type for T1(4)
Metal Oxide Varistor (MOV) is a nonlinear resistance component with zinc oxide (ZnO) as its main constituent. The resistance of an MOV is sensitive to changes in the applied voltage. Below the threshold voltage, the MOV exhibits high resistance, allowing only a negligibly small leakage current to flow. Once the threshold voltage is exceeded, the resistance of the MOV drops sharply, enabling the conduction of a large current. This characteristic makes the MOV suitable for detecting and suppressing surge voltage and overvoltage, thereby protecting the circuit from damage caused by excessive voltage. The Metal Oxide Varistor (MOV) finds wide application in various fields such as photovoltaics, communication, lightning protection, power supply, and power strips. It serves to suppress transient overvoltage and absorb surge energy within the circuit. SETsafe | SETfuse offers Metal Oxide Varistors (MOV) with maximum peak current ratings ranging from 0.75 kA to 70 kA, and maximum continuous voltage ratings from 14 VAC to 750 VAC. These MOVs are equipped with safety certifications such as UL, cUL, TUV, and CQC, and comply with RoHS and REACH requirements. The T1 surge protection type varistor selfdeveloped by SETsafe | SETfuse. has high surge current capacity, especially outstanding 10/350μs impulse capacity, and good AC & DC characte-ristics. It suits all the surge protection scenarios of buildings, photovoltaic and wind power applications.


MOV Disk - Lightning Protection Type for T2(4)
Metal Oxide Varistor (MOV) is a nonlinear resistance component with zinc oxide (ZnO) as its main constituent. The resistance of an MOV is sensitive to changes in the applied voltage. Below the threshold voltage, the MOV exhibits high resistance, allowing only anegligibly small leakage current to flow. Once the threshold voltage is exceeded, the resistance of the MOV drops sharply, enabling the conduction of a large current. This characteristic makes the MOV suitable for detecting and suppressing surge voltage and overvoltage, thereby protecting the circuit from damage caused by excessive voltage. The Metal Oxide Varistor (MOV) finds wide application in various fields such as photovoltaics, communication, lightning protection, power supply, and power strips. It serves to suppress transient overvoltage and absorb surge energy within the circuit. SETsafe | SETfuse offers Metal Oxide Varistors (MOV) with maximum peak current ratings ranging from 20 kA to 80 kA, and nominal discharge current from 10 kA to 40 kA, maximum continuous voltage ratings from 130 VAC to 750 VAC. These MOVs are equipped with safety certifications such as UL, cUL, and comply with RoHS and REACH requirements.

Thermal Fuse & MOV (TFV, TFMOV)(20)


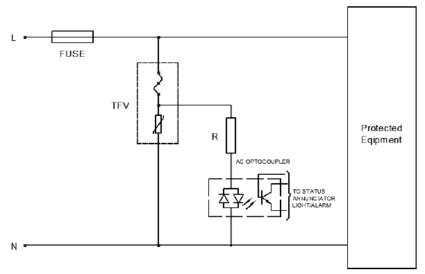
Thermal Fuse Varistor (TFV)(3)
Thermal Fuse Varistor (TFV) is a varistor that incorporates thermal protection. This product possesses all the features of a standard MOV while offering additional thermal safeguards. In cases where an MOV becomes degraded due to long-term operation or abnormal surges, the leakage current of the MOV continues to increase, potentially leading to overheating and even fire. The thermal fuse, consisting of a fusible alloy, within the TFV is highly responsive to abnormal temperatures and triggers an action to disconnect the circuit, thereby preventing the MOV from overheating or catching fire. Thermal Fuse Varistors (TFV) finds wide application in various fields such as power supplies, industrial equipment, and communication devices that demand high reliability and weather resistance. SETsafe | SETfuse provides Thermal Fuse Varistors (TFV) with maximum peak current ratings ranging from 5 kA to 10 kA, and maximum continuous voltage ratings from 50 VAC to 510 VAC. These TFVs are equipped with safety certifications such as UL, cUL, TUV, and CQC, and comply with the requirements of RoHS and REACH.


Thermal Fuse & MOV (TFMOV) (13)
TFMOV is a combination of varistors (MOV) and thermal protection component. Since varistor has the characteristics of aging or degrading; TFMOV can separate the varistor from the main circuitry by opening the thermal protection component when the varistor (MOV) degrades or fails. It is often used in which requires high reliability and weather withstanding, such as photovoltaic inverters, communication equipment, and power supplies in data centers, etc.


Thermally Protected Varistors (TFMOV)(4)
Thermally Protected Varistors - Mechanically Off Type Thermally Protected Varistors (TFMOV) are thermally protected varistors. TFMOVs have all the characteristics of a thermally protected varistor (MOV), but are also thermally protected. there are two types of deterioration of MOVs: natural deterioration due to long term operation, and deterioration due to an abnormal surge. When a surge occurs, the leakage current of the degraded MOV increases continuously, causing the surface temperature of the MOV to rise continuously and the possibility of fire. At this time, the heat of the MOV in TFMOV is conducted to the cryogenic alloy solder joint, which senses the abnormal temperature and acts (fuses), driving the spring slider to cut off the circuit, disconnecting the MOV from the main circuit and thus protecting the entire circuit, as well as the MOV itself will not continue to heat up, and the phenomenon of catching fire. Thermal protection type varistor-mechanical release type (TFMOV) is widely used in over-voltage protection of new energy equipments and communication equipments. They play a great role in the absorption of abnormal voltage and lightning surge. SETsafe | SETfuse companies Thermally Protected Varistors (TFMOV) are mainly composed of varistors (MOV), mechanical disconnectors, flame retardant cases and metal components. Nominal Discharge Current: (5 ~ 20) kA; Maximum Continuous Operating Voltage: (17 ~ 750) VAC; Maximum Continuous Operating DC Voltage: (500 ~ 1000) VDC; Safety Approvals: UL, cUL, TUV, CE; Complies with RoHS, REACH requirements.

Surge Protective Devices Module (SPD-M)(10)
Surge protective device module (SPD-M) is an onboard lightning protection module that integrates functions, such as thermal protection, overvoltage protection, and remote signaling, and others. A single module can meet common-mode, differential-mode or full-mode protection requirements.SPD-M, an integrated solution, can simplify the design and selection of surge protection modules for users, and is suitable for surge protection of low-voltage AC or DC power supply equipment. Surge protective device module (SPD-M) has the characteristics of small board space, high level of integration, and complete protection functions and solutions.

Surge Protective Device (SPD)(29)
Surge protective devices (SPDs) are designed to meet requirements for UL 1449 Forth Edition and IEC/EN 61643-11. They are DIN-rail mountable featuring a fail-safe protection, visual indicator and remote signal contact. It has a good environmental adaptability and meets the requirements of high reliability in important field.


SPD for Low-voltage Power Systems(18)
Surge protective devices (SPDs) are designed to meet requirements for UL 1449 Forth Edition and IEC/EN 61643-11. They are DIN-rail mountable featuring a fail-safe protection, visual indicator and remote signal contact. It has a good environmental adaptability and meets the requirements of high reliability in important field.


SPD for PV System(4)
Surge protective devices (SPDs) are designed to meet requirements for UL 1449 Forth Edition and IEC/EN 61643-11. They are DIN-rail mountable featuring a fail-safe protection, visual indicator and remote signal contact. It has a good environmental adaptability and meets the requirements of high reliability in important field.


SPD for Outdoor Lighting(6)
Surge protective devices (SPDs) are designed to meet requirements for UL 1449 Forth Edition and IEC/EN 61643-11. They are DIN-rail mountable featuring a fail-safe protection, visual indicator and remote signal contact. It has a good environmental adaptability and meets the requirements of high reliability in important field.


SPD for Signaling Networks(1)
Surge protective devices (SPDs) are designed to meet requirements for UL 1449 Forth Edition and IEC/EN 61643-11. They are DIN-rail mountable featuring a fail-safe protection, visual indicator and remote signal contact. It has a good environmental adaptability and meets the requirements of high reliability in important field.
Over Current Protection(52)

Miniature Fuses(24)
Miniature Fuses is an Over Current Protection device. Its resistance is very low. When the circuit works normally, it is equivalent to a wire, which can conduct the circuit continuously and stably. When the current fluctuates due to circuit instability or external interference, it should also be able to withstand a certain range of overload. Only when overload or short circuit happens, Miniature Fuses can blow fast to protect the circuit. SETsafe | SETfuse Miniature Fuses is widely used in all kinds of electrical equipment. It has a variety of mounting modes, compact structure, reliable and stable performance. Technical parameters of SETsafe | SETfuse Miniature Fuses: Its rated current ranges from 0.1 A to 40 A, rated voltage ranges from 125 VAC to 500 VAC, and from 24 VDC to 600 VDC, complies with RoHS and REACH, and is approved by cURus, VDE, PSE, CCC, CQC, KC, TUV.


Cartridge Fuse-links (CFL)(8)
Miniature Fuses is an Over Current Protection device. Its resistance is very low. When the circuit works normally, it is equivalent to a wire, which can conduct the circuit continuously and stably. When the current fluctuates due to circuit instability or external interference, it should also be able to withstand a certain range of overload. Only when overload or short circuit happens, Miniature Fuses can blow fast to protect the circuit. SETsafe | SETfuse Miniature Fuses is widely used in all kinds of electrical equipment. It has a variety of mounting modes, compact structure, reliable and stable performance. Technical parameters of SETsafe | SETfuse Miniature Fuses: Its rated current ranges from 0.1 A to 40 A, rated voltage ranges from 125 VAC to 500 VAC, and from 24 VDC to 600 VDC, complies with RoHS and REACH, and is approved by cURus, VDE, PSE, CCC, CQC, KC, TUV.


Sub-miniature Fuse-links (SFL)(2)


Surface Mount Fuse-links (SMFL)(5)


Fusible Wirewound Resistor (RXF)(2)
Fusible Wirewound Resistor (RXF) is a power resistor, which is made by winding a resistive element on a ceramic core, and the core is coated by insulation coating. As a Protective Component, RXF works as a fixed resistor in normal operation, and is designed to open the circuit under the overload condition. SETsafe | SETfuse RXF is attractive owing to its Miniaturized Size and Superior Properties and it has already been approved by UL, cUL, CQC, VDE. It also complies with RoHS, REACH.


Thermal-Link & Fusing Resistor (TRXF)(5)
Thermal-Link & Fusing Resistor (TRXF) is an unique type of Power Resistor, with Over Temp. and Over Current Protections. The Alloy Thermal-Link (ATCO) is built in the core of Fusible Wirewound Resistor (RXF) and in series with RXF. SETsafe | SETfuse TRXF has the same physical size as ordinary RXF as well as large fault current protection. Besides, TRXF can effectively solve the hidden danger of continuous abnormal heat that ordinary RXF may cause when small fault current happens.


Thermally Protected Resistor (TPR)(2)
Thermally Protected Resistor (TPR) is an unique type of Power Resistor, with Over Temp. and Over Current Protections. Thermally Protected Resistor (TPR) is a type of power resistor, where Alloy Thermal-Link (ATCO) and Fusible Wirewound Resistor (RXF) are in series encapsulated in a ceramic case with silicone cement. SETsafe | SETfuse TPR has the same physical size as ordinary ceramic resistor while additionally providing fault current protection. TPR can also effectively protect against the damages to devices & equipment, caused by continuous heat dissipations by ceramic resistors due to fault currents.

Low Voltage Fuses (LV Fuses)(28)
Active Protection(16)

Heat CutOff (HCO)(2)
Heat CutOff (HCO) is a fuse that triggers action in the event of over-current or over-charge, also known as a three-terminal fuse. The body of the Heat CutOff (HCO) product is composed of Sealant Fusible Alloy, FH, Flux Resin, Case and Epoxy. Heat CutOff (HCO) is primarily used in the secondary protection scheme of lithium battery charging and discharging circuits. It involves adding a secondary protection element, Heat CutOff (HCO), to the primary protection circuit. During the charge and discharge process of lithium batteries, Heat CutOff (HCO) is triggered when over-current or over-charge occurs, thereby reducing the risk of fire or explosion. When the circuit current exceeds a certain threshold, the fusible alloy within the Heat CutOff (HCO) heats up and fuses, passively cutting off the protection circuit. Similarly, in the case of over-charging where the primary protection circuit IC or main circuit FET fails, the secondary protection IC activates the FET connected to Heat CutOff (HCO). The Heat CutOff (HCO) then turns on the heating resistor (Heater), generating heat to actively fuse the fusible alloy and disconnect the charge and discharge circuit, while simultaneously cutting off the Heater circuit. This dual protection mechanism provides safeguards against both over-current and over-charge situations. The main features of the SETsafe | SETfuse Heat CutOff (HCO) product include a rated current of (30, 45, 60, 75) A, rated voltage of 100 VDC, and a range of operating voltage from 4 to 92 VDC. It carries UL, cUL, TUV approvals and is RoHS and REACH compliant.

idea Thermal CutOff (iTCO)(6)
idea Thermal CutOff (iTCO) is a fuse that uses low melting point alloys as the electrical connection point of the main circuit, with built-in heater as the control circuit, to achieve controlled fusing function. idea Thermal CutOff (iTCO) is consist mainly of Thermal Element, Electrode, Flux Resin, Feed Heater, Alloy Thermal-Link and Lead wire, sealed in plastic or ceramic housings. idea Thermal CutOff (iTCO) is mainly used in the protection of new energy security, and secondary protection for charging and discharge circuits. idea Thermal CutOff (iTCO) mainly uses two electrodes which are connected with the thermal element of the fusing elements as electrical connections with passive temperature-sensing fusing actions. At the same time, Built-in heater with independent over-temperature protection heats the thermal element, provides sufficient heat to the fuse, cuts off the main circuit and disconnects the control circuit to achieve self-protection. SETsafe | SETfuse idea Thermal CutOff (iTCO) covers Rated Current from 20 to 270 A, Rated Voltage from 80 to 500 VDC, Rated Functioning Temp. 136 to 150 °C, with UL, cUL, TUV Approvals and RoHS, REACH compliant.

Pyro CutOff (PCO)(2)

Mechanical CutOff (MCO)(1)

Thermal-Link & Fusing Resistor (TRXF) - Active Protection(2)
SETsafe | SETfuse Thermal-link & Fusing Resistor (TRXF) is an active protection integrated component with Over Temp. and Over Current Protections, in which Alloy Thermal-Link (ATCO) is built in the core of Fusible Wirewound Resistor (RXF) and forming special connection with RXF. It is not only able to proceed over temp. protection by ATCO itself but also proceed over current protection by RXF transferring heat to ATCO to open the circuit.

Thermally Protected Resistor (TPR) - Active Protection (3)
SETsafe | SETfuseThermally Protected Resistor (TPR) is an unique type of Power Resistor, with Over Temp. and Over Current Protections. Thermally Protected Resistor (TPR) is a type of power resistor, where Alloy Thermal-Link (ATCO) and Fusible Wirewound Resistor (RXF) in a ceramic case with silicone cement. It is not only able to proceed over temp. protection by ATCO itself but also proceed over current protection by RXF transferring heat to ATCO to open the circuit.